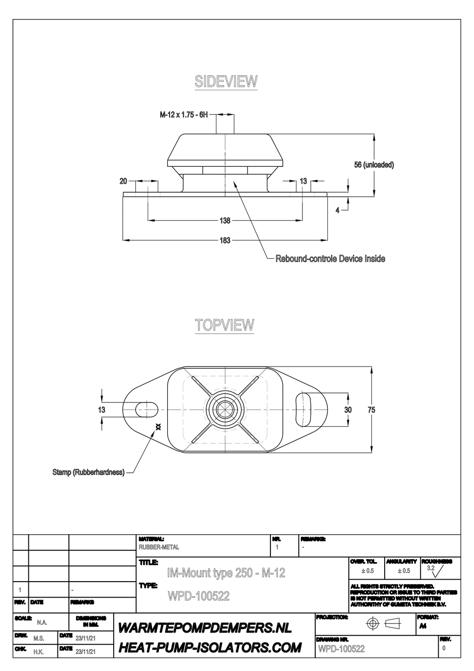
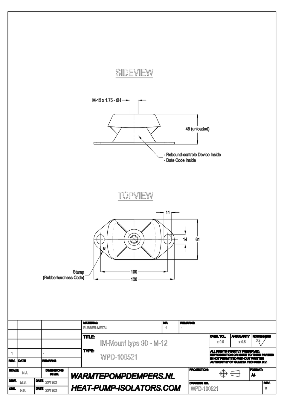
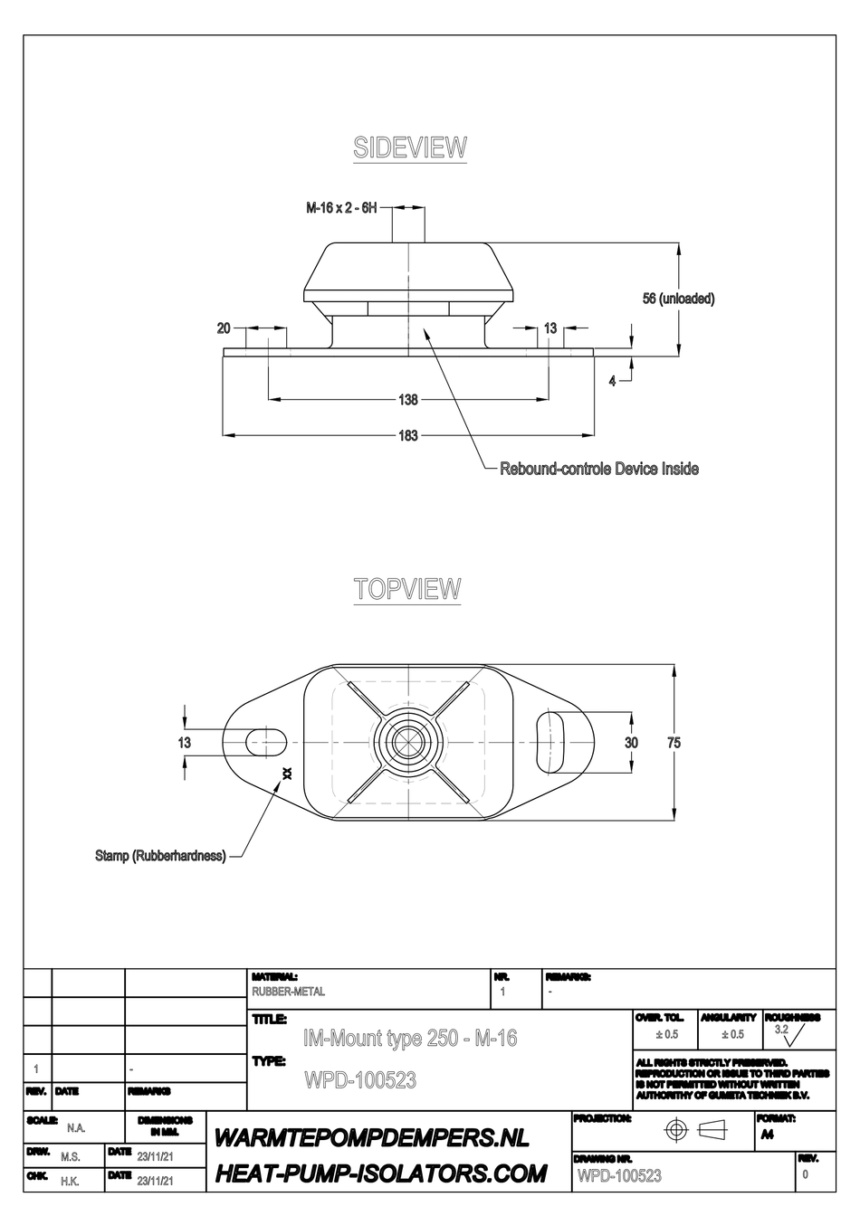
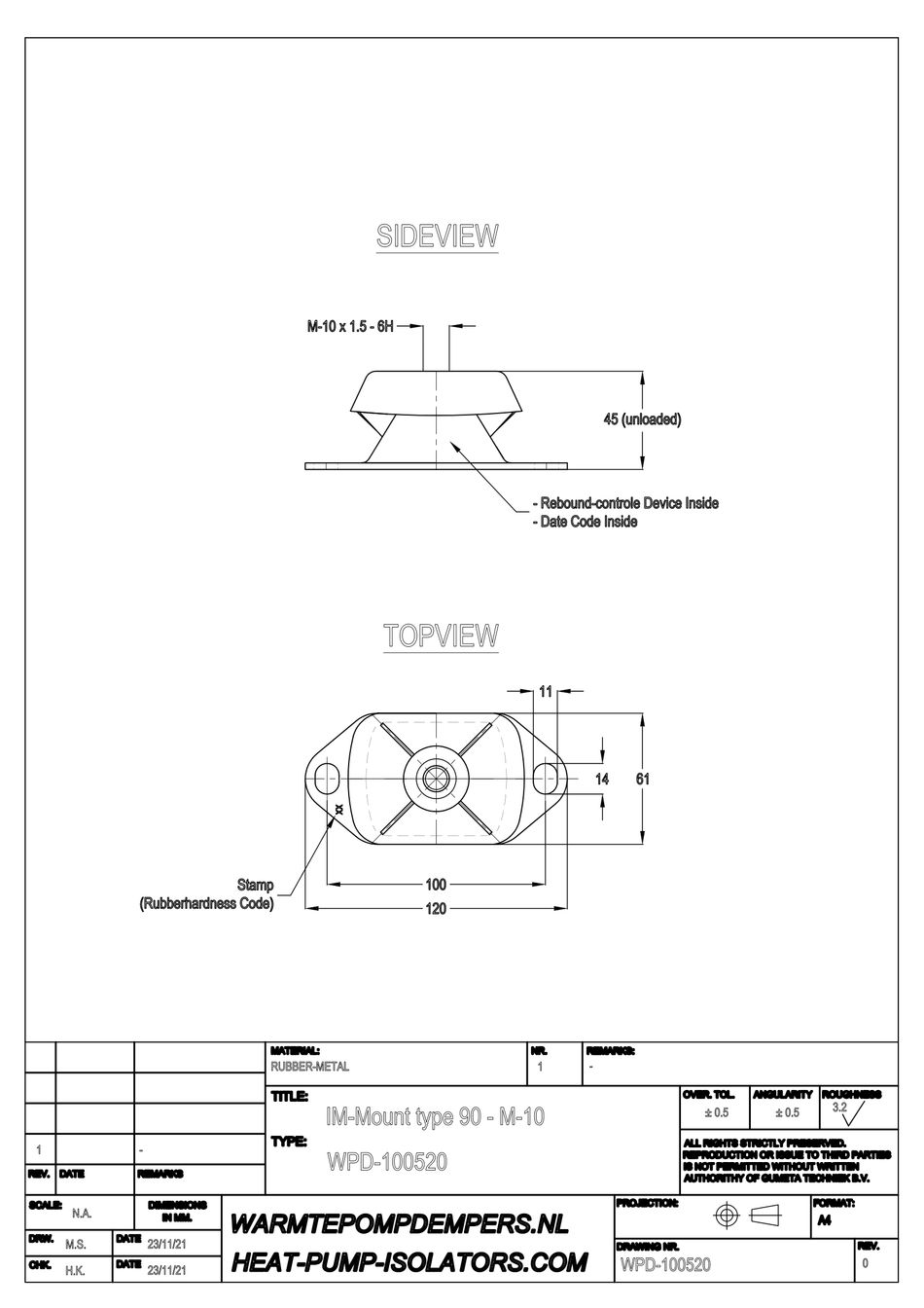
IM Mounts

IM-Mounts are extremely suitable for installing heat pumps and refrigeration equipment. These compact vibration isolators are easy to assemble and offer high vibration isolation. The internal buffer ensures that the movement of the flexibly installed installation is limited in three directions to prevent deflection in the event of high wind loads. The IM-Mounts are available in various rubber hardnesses and provided with a corrosion-resistant coating for outdoor installations. Height settings are of course also available, see mounting materials section.

Filter products

The highest price is €97,50

30 Products